Ingegneria dell’automazione del processo produttivo. È questa, in buona sostanza, la specializzazione di Treesse Progetti, azienda di Quinto di Treviso fondata nel 1986 per sviluppare software per l’automazione di processo e oggi in grado di fornire soluzioni complete per aumentare la produttività e l’efficienza delle aziende per cui lavora. Treesse Progetti ha realizzato sino a oggi oltre un migliaio di impianti in tutto il mondo e, per essere più vicina ai suoi numerosi clienti presenti sul mercato indonesiano e asiatico, ha aperto recentemente una sede a Giacarta. Vediamo più da vicino questa azienda che ha fatto dell’innovazione la sua cifra di sviluppo e un suo interessante e recente intervento in chiave Industria 4.0 presso un birrificio trevigiano che grazie a Treesse Progetti è riuscito a far convivere egregiamente artigianalità e automazione. «Forniamo soluzioni all’avanguardia – ci spiega Stefano Gasparini, sales technical manager di Treesse Progetti – per problematiche e ottimizzazioni relative alla produzione industriale di diversi settori, tra cui l’industria lattiero-casearia, alimentare e del beverage. Sfruttiamo le competenze acquisite dai tecnologi di settore, unite all’elevata preparazione tecnico/gestionale degli ingegneri che lavorano ai vari progetti, permettendo così di creare sale di controllo a elevata automazione. La conoscenza del trattamento delle materie prime, della miscelazione e cottura degli impasti, della fermentazione dei mosti e della filtrazione della birra è uno degli esempi per cui la nostra azienda è conosciuta e apprezzata in Italia e nel mondo, includendo il settore del confezionamento e tutte le utilities a supporto». Abbiamo chiesto a Gasparini quali sono le soluzioni di punta fornite da Treesse Progetti, che ci ha così risposto: «Trent’anni di esperienza, nello sviluppo e messa in servizio di software di automazione e supervisione hanno permesso di farci apprezzare per le nostre soluzioni all’avanguardia e complete sotto ogni punto di vista, garantendo il coordinamento dell’intero processo di fornitura sia sotto il profilo logistico sia sotto quello tecnologico, sia che si tratti dell’ammodernamento (revamping) di un vecchio impianto sia che si tratti di un impianto ex nuovo, cavalcando l’onda dell’Industria 4.0 e del concetto di smart factory, includendo sistemi MES (Manufacturing Execution System), e dialogo con i sistemi gestionali ERP (Enterprise Resource Planning) o altri software trasversali in produzione, quali WMS (Warehouse Management System), software di laboratorio e così via, inclusa la fornitura di quadri e impianti elettrici».

Per quanto riguarda il settore dell’imbottigliamento, per il quale è ovviamente indispensabile raggiungere un elevato livello di automazione, ci sono problematiche specifiche da affrontare e risolvere. «Come ad esempio – spiega Gasparini – completare o monitorare l’efficienza degli impianti garantendo anche con la componente software la massima resa di ogni macchinario o impianto, riducendo così i fermi macchina, e nello stesso tempo raccogliere tutte le informazioni necessarie ai vari dipartimenti e avvisare tempestivamente i gli addetti in funzione di eventuali cali di produzione o allarmi. Per citare un caso recente, abbiamo realizzato una soluzione tecnologicamente avanzata nell’ambito del riempimento di un prodotto artigianale, adattando una soluzione hardware, software e strumentale di una macchina con potenzialità cento volte maggiori (industriale), a una macchina dalle dimensioni decisamente inferiori. La soluzione in scala ridotta ha garantito le medesime performance in termini di precisione nel rispetto dei parametri di processo. Pensare fuori dagli schemi e dal settore di riferimento, per reperire la soluzione “su misura”, ha permesso di concludere con successo il progetto».
Un birrificio tra artigianalità e automazione
Stefano Gasparini si riferisce a un recente intervento che Treesse Progetti ha fatto presso il Birrificio Bio Agricolo Ca Barleydi Sernaglia della Battaglia (TV), specializzato in birre artigianali e biologiche, che ha scelto l’azienda veneta per dotarsi di un software per la produzione delle sue pregiate bevande. Un progetto in chiave Industry 4.0 che ha visto l’artigianalità unita all’automazione. Il Bio Birrificio Ca Barley, che nasce dalla passione e dall’impegno della famiglia Villanova, rappresenta la realizzazione di un sogno che vede l’amore per la propria terra e delle tradizioni il fulcro della loro filosofia. Nelle pianure trevigiane questo progetto ha preso forma partendo dalla coltivazione di orzo biologico di primissima qualità, a cui è stato successivamente affiancato il birrificio. Con questa forte vocazione per il territorio e totalmente votato alla qualità della produzione e delle materie prime, Ca Barley ha scelto l’artigianalità biologica. Quel tipo di artigianalità che rispetta le materie prime, che ha pazienza e attende i giusti tempi di maturazione di un prodotto naturale e che ha l’attenzione di un mastro birraio in tutte le fasi della produzione. Da questa materia prima eccellente nascono così birre che coniugano tradizione e gusto.

Le esigenze e la soluzione
L’obiettivo primario del birrificio era quello di dotarsi di un nuovo impianto da 20 hl, che avesse una buona capacità produttiva unita all’efficienza dell’automazione e fosse in grado di mantenere inalterata l’artigianalità e l’unicità del prodotto. Gli obiettivi principali erano quelli di avere un impianto con macchinari in grado di esaltare la resa delle materie prime e la ripetibilità della produzione nonché la flessibilità nel cambiamento delle ricette delle birre da produrre, poter controllare gli stati della temperatura e della fermentazione di tutti i tank della cantina nonché il monitoraggio e la supervisione non solo della produzione ma anche di alcune utilities al servizio di tutto il birrificio, da un’unica postazione di controllo. E qui è intervenuta Treesse, che nel corso degli anni si è specializzata nel settore del food&beverage e in particolare nel settore della produzione della birra: a oggi il 70% degli impianti di produzione di birra nazionali hanno installato un software Treesse. Le esigenze del birrificio veneto sono state soddisfatte in pieno grazie al software Zenon di Copa-Data, azienda austriaca specializzata in soluzioni per HMI/SCADA, dynamic production reporting e per sistemi PLC integrati. «Grazie a questa soluzione – sottolinea Gasparini – il birrificio Ca Barley ha dato avvio alla produzione delle sue birre grazie a un potente sistema di gestione ricette. La nostra soluzione ha permesso loro di essere indipendenti dalle piattaforme, potendo utilizzare qualsiasi tipo di hardware grazie all’elevata capacità di integrazione di Zenon in impianti esistenti. Con un’interfaccia grafica intuitiva, la conformità con le normative richieste e l’adattabilità a un sistema di gestione ricette già esistente su base SQL, sono stati ottenuti eccellenti risultati nelle prestazioni complessive».

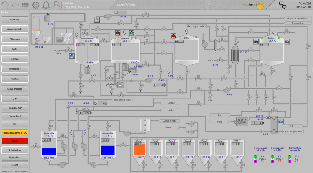
Tutto sotto controllo
Con Zenon, il mastro birraio ha a disposizione una sala controllo dalla quale, sui diversi monitor, a colpo d’occhio, tiene d’occhio tutto il processo di produzione. Può quindi visualizzare su un monitor lo stato delle ricette in esecuzione, su un altro visualizzare la pagina degli allarmi e su un altro ancora avere la panoramica completa di tutta la linea di produzione dalla fase di miscelazione degli ingredienti, al processo di fermentazione fino allo stoccaggio, mantenendo il controllo di tutti gli indicatori delle temperature e dei più importanti indici di performance della produzione. Nessun tipo di formazione si è resa necessaria per imparare a utilizzare le nuove applicazioni, grazie a un’elevata usability e all’intuitività con cui è stata creata l’interfaccia grafica. I punti di forza di questa soluzione si possono così riassumere: aumento della produttività, ergonomia, flessibilità, interfaccia grafica intuitiva, nessun tempo di formazione, multi-monitor, potente sistema delle ricette e valorizzazione delle giacenze di magazzino.
Una soluzione in chiave Industria 4.0
«Di questi tempi – conclude Gasparini – si sente spesso parlare di Industry 4.0, ovvero la tendenza dell’automazione industriale di integrare e interagire con nuove tecnologie, sempre più all’avanguardia, col fine di migliorare e aumentare la produttività e qualità produttiva degli impianti. Qui, cavalcando il concetto di Industry 4.0 e Smart Factory abbiamo studiato una soluzione che vede coinvolto il PLC principale e/o la WS SCADA connesso con tutti i sistemi automatici del sito per acquisire o dare informazioni attraverso una rete di comunicazione. Analogamente, ai fini di completare la rintracciabilità con informazioni qualitative di produzione, sarà gestito anche il dialogo informatico con il gestionale ERP della azienda (ricevere ODP e versare le giacenze) o dare visibilità dell’impianto, con altri PC client negli uffici, per il reparto manutenzione, il plant manager, la direzione e così via. Un sistema aperto che tramite lo scambio di informazioni e dati con il gestionale interno rappresenta una svolta nella gestione e valorizzazione del birrificio. Sarà possibile infine la connessione a Internet per consentire l’eventuale visibilità dall’esterno o per la manutenzione da remoto. I vantaggi di questa soluzione sono innumerevoli e rappresentano una novità nella gestione del sito; le funzionalità spaziano dalla tracciabilità e precisone dei dati elaborati ed archiviati alla gestione di una ricetta di produzione che permette di ottenere un prodotto con le medesime peculiarità nel tempo».